房屋基本資料
案名 台北新北法拍|111 龜山區公所|明駝一村|方正4房車大廈 案號 桃園113二96132
地址

桃園市龜山區明德路明駝一村7號5樓

社區/大樓明駝一村
銷售狀態待標中 售價
售816萬
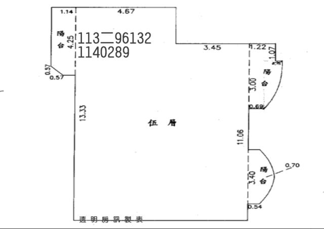
房屋類型法拍大樓_華廈_4房車 總登記坪數 53.48 坪
格局 4房,2廳,2衛,3陽台,1廚房 屋齡 27年
每坪單價 15.26萬/坪 公設比 35.9 %
車位 B1-76號坡道式平面車位 座向
無障礙環境 法拍屋 本物件是法拍屋
拍次 : 2
開標日期 : 114/11/11(二) 10:30
建物所在樓層 5樓/共8樓 管理費
管委會 中庭
電梯 是否為凶宅 不是
300公尺內嫌惡設施 面前道路
面寬 縱深
邊間 房屋銷售來源 不動產經紀人/專業仲介
房屋特色
104法拍網代標//透明房訊 //法拍讀書會//透明實價網//投資課程㊣㊣㊣業界最大法拍屋專業機構㊣㊣㊣
法拍個案拍賣資訊均與 司法院 // 台灣金融資產服務股份有限公司// 法務部行政執行署拍賣資訊同步刊登,隨時更新!!!
★法拍屋不提供賞屋服務→可透過地政機關建物平面圖、位置圖等資料分析判斷之★

本件拍賣資訊節錄:
點交情形→拍賣建物據債權人查報非兇宅或海砂屋、輻射屋,又債務人自113年5月起即積欠管理費、每月1200元(管理費部分僅為債權人114年3月5日陳報狀記載之狀態,實際金額仍應向管委會查詢);再函詢分局,其函復該址五年內並無非自然死亡案件之現場勘查資紀錄,請應買人參考、注意。於現場執行時,拍賣建物屋內有大量物品,其後經函警協查,無人居住,建物拍定後點交。本件標的物據債權人查報陳稱有一車位編號為地下一層76號,惟建物登記謄本中並無停車位之記載,本註記僅供參考,如有爭議,以實體確定判決為準;又此部分拍定後不進行點交,應買人亦不得以上開車位之有無而為爭執或請求撤銷拍賣,請特別注意。

謄本資料→[謄本]:總坪數53.48坪[主建坪30.37坪,附屬坪3.93坪,公設坪19.18坪(建號:775,784)][RC造/住家用]

是【大學法律學系的法學士】→1996年畢業
也是【通過國家考試及格執業21年的代書】→2004年迄今
更是【任職律師事務所職司法律相關事務30年的法務經理】→1995年迄今
能精準為您分析判讀法拍個案的觸角,維繫您的個案權益。
專業指名:張世興代書            
服務專線:02-2263-1206
行動電話:0986-666-000

公司名稱:一零四法拍網股份有限公司/統一編號28306523
經紀人名字&字號:林桂英/北市經證第001243號
營業員名字&證照號碼:張世興/(107)登字第331706號

個案物件均依各拍賣機關拍賣公告底價投開標.如當拍未拍定時,除經債權人聲明指定底價外.原則依前拍底價酌減20%估算次拍底價(強制執行法第91條、92條參照)
【第一拍:1020萬114年10月14日流標】
【第二拍:816萬114年11月11日待標】
【第三拍:萬年月日】

張世興代書→其他法拍屋搜尋網站:
H0USEINFO→http://www.沿金標法拍.tw
樂屋網→ https://vip.rakuya.com.tw/0986666000/sell
坪數說明
建物登記總坪數 53.48 土地登記總坪數 16.59
主建物坪數 30.37 停車位坪數
附屬建物坪數 3.93 公共設施坪數 19.18
房屋聯絡人資訊
聯絡人姓名 張世興
(煩請告知聯絡人,您是在House-Info房屋資訊網看到這則廣告,真摯感恩您的幫忙)
手機
0986-666-000
電子信箱 jeffery1966kimo@gmail.com
所屬公司名稱 一零四法拍網股份有限公司 / 統一編號 28306523 公司地址 新北市土城區金城路二段396號11樓
公司電話 沿金標法拍◆(02)2270-0600 ★ 0986-666-000 張世興代書◆『法拍』購屋首選 公司傳真 (02)2274-0884
網 址 http://www.沿金標法拍.tw
贊助商廣告
大桃園廠房,大桃園工業地,大桃園工業地廠房
桃園廠房出租,桃園工業地,桃園廠房工業地
龜山法拍大樓-1
龜山法拍大樓-1
龜山法拍大樓-2
龜山法拍大樓-2
龜山法拍大樓-3
龜山法拍大樓-3
龜山法拍大樓-4
龜山法拍大樓-4
龜山法拍大樓-5
龜山法拍大樓-5
龜山法拍大樓-6
龜山法拍大樓-6