房屋基本資料
案名 三閤苑透天社區 桃園市大溪區三元一街2巷35弄23號4層樓 案號 第三拍115/3/26(四)
地址

桃園市大溪區三元一街2巷35弄23號4層樓

銷售狀態待標中 售價
售1217萬售778萬9000元
房屋類型法拍透天 總登記坪數 55.93 坪
格局 5房,2廳,4衛,4陽台 屋齡 29年
每坪單價 13.93萬/坪 公設比
車位 座向
無障礙環境 法拍屋 本物件是法拍屋
拍次 : 3
開標日期 : 第三拍115/3/26(四)
建物所在樓層 1-4層 管理費
管委會 中庭
電梯 沒有 是否為凶宅 不是
300公尺內嫌惡設施 面前道路
面寬 縱深
邊間 房屋銷售來源 不動產經紀人/專業仲介
房屋特色

桃園市大溪區法拍屋|三元一街法拍|大溪透天法拍|員樹林國小法拍



大溪法拍屋-三元一街2巷35弄23號|保屋三閤苑|透天別墅|待標中



房屋類型:透天/別墅



建物所在樓層:1~4樓/總樓層4樓



屋齡:約29年



房屋格局:依現況



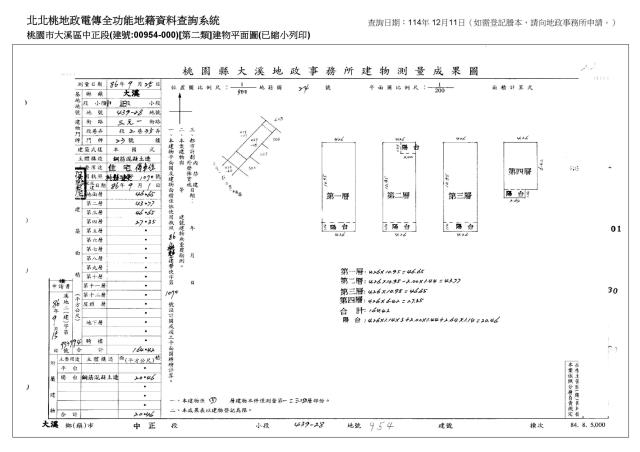
建物登記總坪數:55.93坪



主建物坪數:49.74坪



附屬建物坪數:6.19坪



增建坪數:約2.15坪



土地登記坪數:24.81坪



建物結構:鋼筋混凝土造



主要用途:住宅



地址:桃園市大溪區三元一街2巷35弄23號



━━━━━━━━━━━━━━



生活機能:



員樹林生活圈



周邊超商、早餐店、小吃、五金行



生活採買便利



鄰近員樹林國小



居住環境單純



━━━━━━━━━━━━━━



交通機能:



公車站:員樹林站



可連接大溪市區與龍潭



交通動線便利



━━━━━━━━━━━━━━



【拍賣資訊】



第三拍底價:779萬



每坪約13.93萬



拍賣日期:2026/03/26



━━━━━━━━━━━━━━



【法院筆錄摘要】



建物查封時由債務人自住使用



屋況除廚房天花板



有油漆剝落情形外



無其他明顯異常



查無輻射屋



查無海砂屋



無明顯地震或火災受損



一樓後方有增建



為未辦保存登記建物



拍定人無法辦理所有權登記



並需承擔可能被拆除風險



屋內動產不在拍賣範圍內



拍定後若有遺留物



需依法院程序處理



━━━━━━━━━━━━━━



【拍賣紀錄】



第一拍:1217萬



第二拍:974萬



第三拍:779萬



━━━━━━━━━━━━━━



本案為法院公開標售之法拍物件,物件現況、產權登記、點交條件及拍賣時程等均以法院正式拍賣公告為準;如遇停拍、撤回、拍定或公告變更,本資訊即自動失效。



法拍貸款分為代墊尾款與一般房貸兩類,與104法拍網長期配合銀行亦可承作點交案件。



━━━━━━━━━━━━━━



代標找林小姐

安心又會標~Anna幫你買到家!



【投標諮詢|雙人代標】



林小姐Anna|0986-678-928(同LINE)

黃先生Pitt|0984-508-898(同LINE)



LINE官方名片

https://line.me/ti/p/MJcPvp3nG8



104法拍網法拍服務團隊



雙人代拍|全台專業代標|銀行貸款評估

坪數說明
建物登記總坪數 55.93 土地登記總坪數 24.8
主建物坪數 49.74 停車位坪數 0
附屬建物坪數 6.19 公共設施坪數
增建坪數 2.15
房屋聯絡人資訊
聯絡人姓名 林宸妍
(煩請告知聯絡人,您是在House-Info房屋資訊網看到這則廣告,真摯感恩您的幫忙)
手機
0986-678-928
電子信箱 as29751168@gmail.com
Skype通話 Line加入好友 Line加入好友
所屬公司名稱 財欣不動產管理顧問有限公司 統編:22857204|合法營業|提供正式發票 公司地址 桃園市桃園區莊敬路一段346號4F
公司電話 0986678928 公司傳真
網 址 http://www.0986678928.tw
贊助商廣告
大桃園廠房,大桃園工業地,大桃園工業地廠房
桃園廠房出租,桃園工業地,桃園廠房工業地
桃園大溪透天法拍-1
桃園大溪透天法拍-1
桃園大溪透天法拍-2
桃園大溪透天法拍-2
桃園大溪透天法拍-3
桃園大溪透天法拍-3
桃園大溪透天法拍-4
桃園大溪透天法拍-4