| 房屋基本資料 |
| 案名 | 桃園火車站公寓林森路71巷 | 案號 | 114九17531甲 |
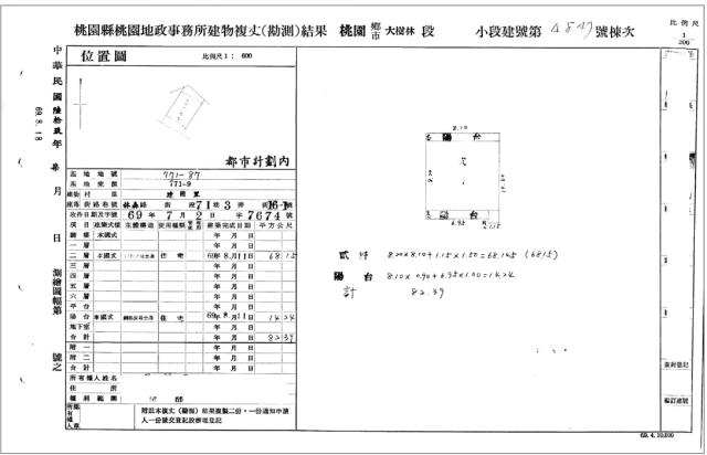
| 地址 | 桃園市桃園區林森路71巷3弄16-1號2樓<5> |
| 銷售狀態 | 待標中 | 售價 | 售723萬5000元 |
| 房屋類型 | 公寓 | 總登記坪數 | 26.68 坪 |
| 格局 | | 屋齡 | 45年 |
| 每坪單價 | 27.12萬/坪 | 公設比 | |
| 車位 | | 座向 | |
| 無障礙環境 | | 法拍屋 | 本物件是法拍屋 拍次 : 第一拍 開標日期 : 114/12/11(四) |
| 建物所在樓層 | 2樓/共5樓 | 管理費 | |
| 管委會 | | 中庭 | |
| 電梯 | 未知 | 是否為凶宅 | |
| 300公尺內嫌惡設施 | | 面前道路 | |
| 面寬 | | 縱深 | |
| 邊間 | | 房屋銷售來源 | 不動產經紀人/專業仲介 |
| 坪數說明 |
| 建物登記總坪數 | 26.68 | 土地登記總坪數 | |
| 主建物坪數 | 20.62 | 停車位坪數 | |
| 附屬建物坪數 | 4.31 | 公共設施坪數 | 1.75 |
| 增建坪數 | |
| 周邊環境 |
| 生活機能 | | 鄰近交通 | |
| 鄰近地標 | | 公園綠地 | |
| 鄰近學區 | | 捷運站 | |
| 房屋聯絡人資訊 |
| 聯絡人姓名 | 李小姐 (煩請告知聯絡人,您是在House-Info房屋資訊網看到這則廣告,真摯感恩您的幫忙) |
| 手機 |  0986-508-652 | 電子信箱 | lili19730209@gmail.com |
| | Line加入好友 |  |
| 所屬公司名稱 | 財欣不動產管理顧問有限公司/統編2830 6053 | 公司地址 | 新北市土城區金城路二段396號11樓/桃園市莊敬路一段346號4樓 |
| 公司電話 | 聯絡電話:02-82602416 / 0986508652 | 公司傳真 | |
| 網 址 | http://www.精選法拍屋.tw |