法拍屋,法拍屋代標,法拍屋出售
最後更新:6小時內
房屋基本資料
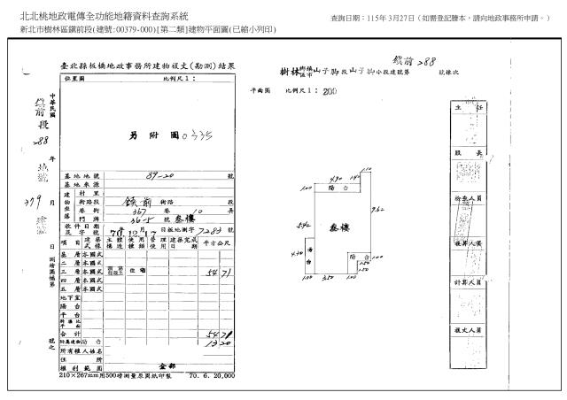
案名 新北市樹林區東華街64號3樓 案號 115/04/28,第一拍,點交
地址

新北市樹林區東華街64號3樓

銷售狀態待標中 售價
售885萬
房屋類型 公寓 總登記坪數 20.54 坪
格局 屋齡 45年
每坪單價 43.09萬/坪 公設比
車位 座向
無障礙環境 法拍屋 本物件是法拍屋
拍次 : 1
開標日期 : 4/28
建物所在樓層 3/5 管理費
管委會 中庭
電梯 沒有 是否為凶宅 不是
300公尺內嫌惡設施 面前道路
面寬 縱深
邊間 房屋銷售來源 不動產經紀人/專業仲介
坪數說明
建物登記總坪數 20.54 土地登記總坪數 9.2
主建物坪數 16.55 停車位坪數
附屬建物坪數 3.99 公共設施坪數
增建坪數
周邊環境
生活機能 鄰近交通
鄰近地標 公園綠地
鄰近學區 捷運站
房屋聯絡人資訊
聯絡人姓名 林宸妍
(煩請告知聯絡人,您是在House-Info房屋資訊網看到這則廣告,真摯感恩您的幫忙)
手機
0986-678-928
電子信箱 as29751168@gmail.com
Line加入好友 Line加入好友
所屬公司名稱 財欣不動產管理顧問有限公司 統編:22857204|合法營業|提供正式發票 公司地址 桃園市桃園區莊敬路一段346號4F
公司電話 0986678928 公司傳真
網 址 http://www.0986678928.tw
樹林公寓法拍-1
樹林公寓法拍-1
樹林公寓法拍-2
樹林公寓法拍-2
樹林公寓法拍-3
樹林公寓法拍-3
樹林公寓法拍-4
樹林公寓法拍-4
樹林公寓法拍-5
樹林公寓法拍-5
觀看地圖
  • 桃園買屋,桃園市買屋,桃園房屋買賣新北法拍屋,新北市法拍屋,新北法院法拍屋
    桃園廠房出租,租桃園廠房,桃園租廠房桃園廠房,桃園平鎮廠房,平鎮廠房
    591廠房,591桃園廠房,591新北廠房新北廠房,新北市廠房,新北廠房出租出售
    新北市法拍屋,新北法院法拍屋,新北法拍屋公告新北市廠房,新北市廠房買賣,新北市廠房出售
    591廠房,桃園廠房,新北廠房法拍屋查詢,法拍屋流程,法拍屋代標,新北法拍屋,台北法拍屋,桃園法拍屋
House-Info網站免責聲明:本系統為租用式開放房屋買賣網站建置平台,僅提供會員查詢-新北市樹林區東華街64號3樓-等房屋資訊參考,並不涉入任何諮詢、交易。 物件(服務)聯絡人公佈的資訊、文字、照片、圖形、產權、廣告內容、或其他資料若有不實或違法情事,或與客戶聯絡交易過程中若衍生民事或刑事等法律問題,皆與本網站無關,所有商標、文章、名稱等版權,皆歸屬原著作者所有!
●電話:07-7963288    ●電子信箱:ogs.chang@gmail.com

House-Info房屋資訊網保留一切權利,非經正式書面同意,禁止轉貼節錄。建議瀏覽解析度1024*768。