透明房訊,台北104法拍,台北法拍屋
法拍屋,法拍屋代標,法拍屋出售

409關渡小城區華廈一樓中華路二段308巷6弄11號-新北市八里區大樓

409 關渡小城A區【華廈一樓】中華路二段308巷6弄11號
列印
  • 售815萬1000元
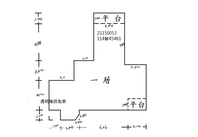
    1. 案號:士林114智45481
    2. 類型:法拍大樓_華廈_一樓
    3. 總登記坪數:32.79坪
    4. 每坪單價:24.86萬/坪
    5. 地址:

      新北市八里區中華路二段308巷6弄11號1樓

    1. (煩請告知聯絡人,您是在House-Info房屋網看到廣告,感恩幫忙)
    2. 0986-666-000
    1. 市話:
    2. 公司名稱:
    3. 公司地址:
    4. 個人網站:
    409關渡小城區華廈一樓中華路二段308巷6弄11號-QR CODE 留言 檢舉
物件介紹
詳細資料
最後更新
14小時內
銷售狀態
待標中
格局
3房,2廳,2衛,2陽台,1廚房
社區/大樓
屋齡
33年
公設比
9.9 %
無障礙環境
所在樓層
1樓/共7樓
管委會
中庭
電梯
邊間
是否凶宅
不是
法拍屋
本物件是法拍屋
拍次
1
開標日期
115/04/09(四) 14:30
坪數說明
建物登記總坪數
32.79
主建物坪數
26.90
附屬建物坪數
2.65
公共設施坪數
3.24
土地登記總坪數
7.06
特色描述
104法拍網代標//透明房訊//法拍讀書會//透明實價網//投資課程㊣㊣㊣業界最大法拍屋專業機構㊣㊣㊣
法拍個案拍賣資訊均與司法院//台灣金融資產服務股份有限公司//法務部行政執行署拍賣資訊同步刊登,隨時更新!!!
★法拍屋不提供賞屋服務→可透過地政機關建物平面圖、位置圖等資料分析判斷之★

本件拍賣資訊節錄:
點交情形→114年7月23日現場查封時,債務人不在場,據社區管理員稱2914建號建物有人居住,但不知誰在使用。114年8月25日新北市政府警察局蘆洲分局函覆,該址現由債務人及其家屬居住使用;1079地號土地為新北市八里區中山路二段211號、209號中間之關渡小城社區之花圃及走道。另據管理委員會115年1月29日陳報,債務人無特定停車位。2914建號建物拍定後點交。1046、1079地號土地拍賣不動產應有部分,拍定後不點交。

謄本資料→[謄本]:總坪數32.79坪[主建坪26.90坪,附屬坪2.65坪,公設坪3.24坪(建號:2953,2952)][RC造/住家用]
是【大學法律學系的法學士】→1996年畢業
也是【通過國家考試及格執業22年的代書】→2004年迄今
更是【任職律師事務所職司法律相關事務31年的法務經理】→1995年迄今
能精準為您分析判讀法拍個案的觸角,維繫您的個案權益。
專業指名:張世興代書
服務專線:02-2270-0600
行動電話:0986-666-000

公司名稱:一零四法拍網股份有限公司/統一編號28306523
經紀人名字&字號:林桂英/北市經證第001243號
營業員名字&證照號碼:張世興/(107)登字第331706號

個案物件均依各拍賣機關拍賣公告底價投開標.如當拍未拍定時,除經債權人聲明指定底價外.原則依前拍底價酌減20%估算次拍底價(強制執行法第91條、92條參照)
【第一拍:815.1萬115年04月09日待標】
【第二拍:萬年月日】
【第三拍:萬年月日】
【公告應買:萬年月日】
【第四拍:萬年月日】

張世興代書→其他法拍屋搜尋網站:
H0USEINFO→http://www.沿金標法拍.tw
樂屋網→https://vip.rakuya.com.tw/0986666000/sell
物件照片
八里法拍大樓-0
八里法拍大樓-0
八里法拍大樓-1
八里法拍大樓-1
八里法拍大樓-2
八里法拍大樓-2
八里法拍大樓-3
八里法拍大樓-3
八里法拍大樓-4
八里法拍大樓-4
八里法拍大樓-5
八里法拍大樓-5
八里法拍大樓-6
八里法拍大樓-6
八里法拍大樓-7
八里法拍大樓-7
八里法拍大樓-8
八里法拍大樓-8
八里法拍大樓-9
八里法拍大樓-9
贊助商廣告
桃園廠房,桃園廠房出租,桃園廠房出售
新北法拍屋,新北市法拍屋,新北法院法拍屋
物件留言
請注意,如果您詢問的內容與物件不相符合或是廣告,經過審核,系統將會直接刪除您的發問內容
*
檢舉不實
*
黃金曝光
House-Info網站免責聲明:本系統為租用式開放房屋買賣網站建置平台,僅提供會員查詢-409關渡小城區華廈一樓中華路二段308巷6弄11號-等房屋資訊參考,並不涉入任何諮詢、交易。 物件(服務)聯絡人公佈的資訊、文字、照片、圖形、產權、廣告內容、或其他資料若有不實或違法情事,或與客戶聯絡交易過程中若衍生民事或刑事等法律問題,皆與本網站無關,所有商標、文章、名稱等版權,皆歸屬原著作者所有!
●電話:07-7963288    ●電子信箱:ogs.chang@gmail.com

House-Info房屋資訊網保留一切權利,非經正式書面同意,禁止轉貼節錄。建議瀏覽解析度1024*768。